Professional Electrical  Products Manufacturer of transformers ,Prepaid & WiFi Meter, Cables and EPC line materials
          info@engelec.cn​
You are here: Home » Products » Franch Standard » RÉSEAUX AÉRIENS » Accessoires HTA » Connecteur à anneau pour conducteur HTA: Conducteur nu

loading

Share to:
sharethis sharing button

Connecteur à anneau pour conducteur HTA: Conducteur nu

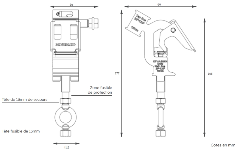
Ce connecteur s'utilise pour réaliser la dérivation d'un conducteur moyenne tension nu en aluminium sur un autre conducteur de même type. Son design permet un travail sous tension à l'aide d'une perche.
  • U400

  • ENGELEC

Availability:
Connecteur à anneau pour conducteur HTA: Conducteur nu

Connecteur à anneau pour conducteur HTA: Conducteur nu


UTILISATION

Ce connecteur s'utilise pour réaliser la dérivation d'un conducteur moyenne tension nu en aluminium sur un autre conducteur de même type. 

Son design permet un travail sous tension à l'aide d'une perche.


DESCRIPTION

- Ce connecteur en aluminium est très resistant à la corrosion. 

- Le clapet métallique garanti au connecteur une bonne résistance mécanique lors de l'installation à la perche. Pendant la mise en oeuvre, le clapet est maintenu ouvert par un ressort en acier inoxydable. Une fois le connecteur bien positionné sur le câble principal, le clapet prend sa position fermée. 

 - Le serrage du connecteur sur la ligne principale est réalisé : 

• Sous tension, via l'anneau pour installation depuis le sol (serrage à l'aide d'une perche isolée). L'anneau est équipé d'une sécurité fusible affn de garantir l'intégrité du conducteur principal (rupture en cas de serrage excessif), 

 • Hors tension, via la tête fusible hexagonale 13mm pour montage en haut de poteau (serrage à l'aide d'une clé). 

- Le connecteur peut être démonté : 

• Sous tension en dévissant l'anneau depuis le sol à l'aide d'une perche isolée,

 • Hors tension, en l'absence de l'anneau, en desserant la tête hexagonale 13mm de secours à l'aide d'une clé. 

- Le conducteur dérivé peut être installé dans la borne, par le haut ou par le bas. 

- Les capacités sont : 

 • Principal : 25-120mm² Al,

 • Dérivé : 25-120mm² Al. - Plage de tension HTA : de 1kV à 50kV. 

Ce connecteur répond aux critères de la spéciffcation HN 66-S-43.


1

2

3


Previous: 
Next: 
If you have any enquiry about quotation or cooperation,please feel free to email us at info@engelec.cn or use the following enquiry form. Our sales representative will contact you within 24 hours. Thank you for your interest in our products.
Product Inquiry

Products Center

ADD : No.138 Ninkang West Road, Yueqing, Zhejiang, China(325600) 
TEL : +86-577-61672337
E-MAIL
 :  info@engelec.cn
WEB :  www.engelecgroup.com
SKYPE :  jolininternational
MOBILE :  +86 13505870377
SALES :  Jolin Huang
 Copyright  2016 ENGELEC POWER TECHNOLOGY CO., LTD. All rights   XML  SiteMap
We use cookies to enable all functionalities for best performance during your visit and to improve our services by giving us some insight into how the website is being used. Continued use of our website without having changed your browser settings confirms your acceptance of these cookies. For details please see our privacy policy.
×